地址:湖北省公安縣青吉工業園
公司電話:0716-5225925
售后服務:0716-5234241
營銷專線:0716-5226671
公司傳真:0716-5228925-2
郵編:434300
郵箱地址: yxgs@hbaxle.com 或 marketing@hbaxle.com
公司官網:http://www.xntdgc.cn
地址:湖北省公安縣青吉工業園
公司電話:0716-5225925
售后服務:0716-5234241
營銷專線:0716-5226671
公司傳真:0716-5228925-2
郵編:434300
郵箱地址: yxgs@hbaxle.com 或 marketing@hbaxle.com
公司官網:http://www.xntdgc.cn
當前位置:
首頁 ? 新聞動態 ? N系列汽車驅動橋總成產品簡介發布時間:2015-11-19
一、HT24N-122-4.11驅動橋總成主要用途及適用范圍
HT24N-122-4.11驅動橋總成是我公司開發的具有良好使用性能的汽車驅動橋總成,主要具有承載能力強、噪聲低、強度高、用途廣泛的特點。根據用戶需要可選裝ABS防抱死系統和自動間隙調整臂。
二、HT24N-122-4.11驅動橋總成結構和特點簡介
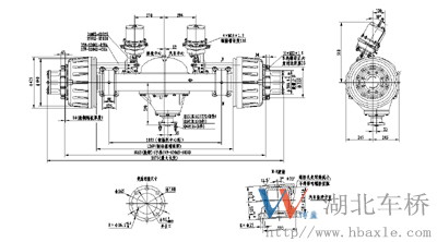
HT24N-122-4.11驅動橋總成由琵琶式整體式橋殼、主減速器總成、“S”凸輪、帶滾輪制動器總成、制動鼓及輪轂總成、全浮式半軸等件組成。它具有噪音低、運行平穩、安全系數高、制動性能好等優點。主要有以下特點:
1.結構簡便,承載能力大。
驅動橋總成滿載軸荷為11000kg,滿足額定載荷要求,結構及裝配方法簡單,在使用、維修等方面安全、可靠、方便。
2.制動力矩大,性能好。
根據客車制動系統的特點,制動器的蹄片直徑選用φ410mm,制動蹄片加寬為220mm,并且采用了“S”凸輪、帶滾輪結構,可選用石棉、半金屬、無石棉等磨擦片。制動時,隨著凸輪的轉動而推開蹄片、達到制動目的,它的傳動比保持不變,因此可以減少制動跑偏的現象,根據整車的制動力矩測量,后橋制動力矩可達到12900N.M。
3.主減速器總成噪音低,傳遞扭矩大。
主減速器總成突緣端面至橋殼中心線距離為390mm(見安裝尺寸圖)。主、從動錐齒輪有噪音低、壽命長的特點,其傳遞扭矩30000N.M,裝配成總成后噪音在84dB以下,壽命可達70萬次以上。
4.可配裝ABS和自動間隙調整臂。
HT24N-122-4.11驅動橋總成可配裝ABS和自動間隙調整臂,大大提高了汽車制動時的安全與可靠性。當汽車制動時,ABS通過調節制動管路的壓力,控制各個車輪制動器的制動力,使汽車在緊急制動時車輪不被抱死,從而防止甩尾、側滑,保證轉向輪在制動時的轉向能力,避免機件的損壞和人身傷亡事故,避免了輪胎的局部磨損,延長使用壽命,并使制動距離縮短。
三、主要技術參數
驅動橋總成主要技術參數
| 滿載軸荷 | 11000kg | |
| 最大輸出扭矩 | 30000N.m | |
| 輪距 | 1860mm | |
| 主減速比 | 4.11 | |
| 鋼板彈簧中心距及傾角 | 1033mm×2° | |
| 制動器形式 | “S”凸輪,帶滾輪,鑄件底板,無石棉襯片Φ410×220 | |
| 裝配中心高 | 390mm(前置postposition) | |
| 突緣 | 止口直徑 | φ95mm | 
| 聯接孔直徑 | 8-φ16.1mm | |
| 聯接孔位置 | φ140mm | |
| 橋體結構 | 鋼件 | |
| 配用輪輞及輪胎規格 | 11R22.5 | |
| 輪胎螺栓直徑(長度)及分度圓 | 10×M22×1.5/φ335 | |
四、HT24N-122-4.11驅動橋總成結構特點及安裝尺寸
驅動橋總成結構參數圖
